Wiring diagrams (very large and easy to read)

Moto Guzzi 250 TS, 350 NTX, 650 NTX, 750 NTX, 750 SP, 750 T, 750 XPA, Breva 750, Nevada 350, Nevada 750, STR V750 IE, Targa 750, V35, V35 Florida, V35 II, V35 Imola, V50, V50 II, V50 III, V50 Monza, V65, V65 C, V65 Florida, V65 SP, V7 Café Classic, V7 Classic, V7 II Racer, V7 II Special, V7 II Stone, V7 Racer, V7 Special, V7 Stone, V75, and V85 models

Created: 
Updated: 

Moto Guzzi wiring diagram - 350 NTX / 650 NTX

Thanks to Benjamin Zehnder for purchasing an original NTX workshop manual and giving it to me. I scanned the document at high resolution to produce these graphics. Be sure to download the images to your computer so that you can zoom in to see all of the detail.

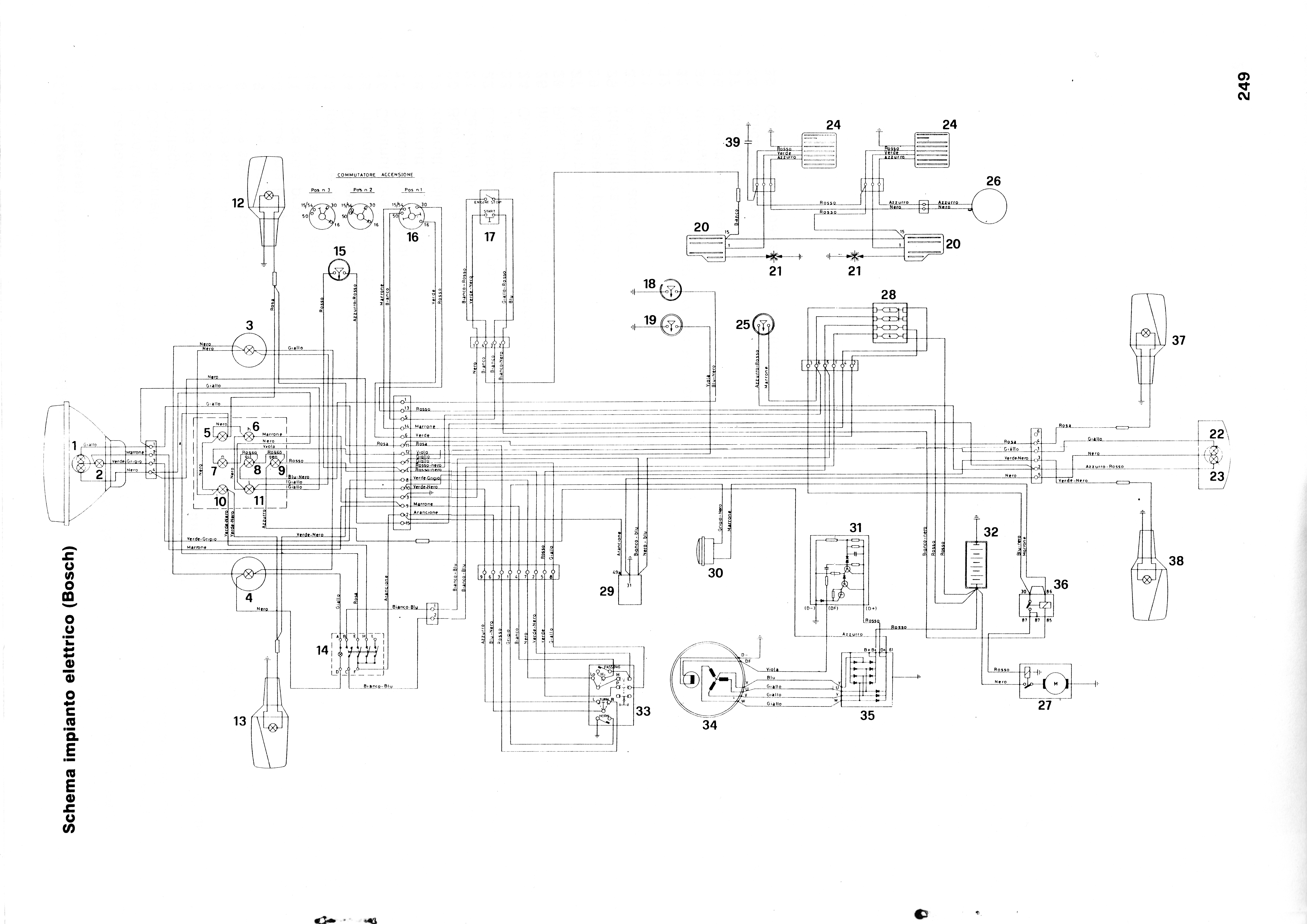
Moto Guzzi wiring diagram - 350 NTX / 650 NTX Bosch charging system - diagram
Moto Guzzi wiring diagram - 350 NTX / 650 NTX Bosch charging system - diagram

Photo courtesy of Gregory Bender (with much thanks to Benjamin Zehnder).

Moto Guzzi wiring diagram - 350 NTX / 650 NTX Bosch charging system - diagram

Photo courtesy of Gregory Bender (with much thanks to Benjamin Zehnder).

Direct link to image

Moto Guzzi wiring diagram - 350 NTX / 650 NTX Bosch charging system - legend
Moto Guzzi wiring diagram - 350 NTX / 650 NTX Bosch charging system - legend

Photo courtesy of Gregory Bender (with much thanks to Benjamin Zehnder).

Moto Guzzi wiring diagram - 350 NTX / 650 NTX Bosch charging system - legend

Photo courtesy of Gregory Bender (with much thanks to Benjamin Zehnder).

Direct link to image

Moto Guzzi wiring diagram - 350 NTX / 650 NTX Saprisa charging system - diagram
Moto Guzzi wiring diagram - 350 NTX / 650 NTX Saprisa charging system - diagram

Photo courtesy of Gregory Bender (with much thanks to Benjamin Zehnder).

Moto Guzzi wiring diagram - 350 NTX / 650 NTX Saprisa charging system - diagram

Photo courtesy of Gregory Bender (with much thanks to Benjamin Zehnder).

Direct link to image

Moto Guzzi wiring diagram - 350 NTX / 650 NTX Saprisa charging system - legend
Moto Guzzi wiring diagram - 350 NTX / 650 NTX Saprisa charging system - legend

Photo courtesy of Gregory Bender (with much thanks to Benjamin Zehnder).

Moto Guzzi wiring diagram - 350 NTX / 650 NTX Saprisa charging system - legend

Photo courtesy of Gregory Bender (with much thanks to Benjamin Zehnder).

Direct link to image

Moto Guzzi wiring diagram - V35 / V50

Thanks to Larry Andrade for sending me these images.

Moto Guzzi wiring diagram - V35 / V50
Moto Guzzi wiring diagram - V35 / V50

Photo courtesy of Larry Andrade.

Moto Guzzi wiring diagram - V35 / V50

Photo courtesy of Larry Andrade.

Direct link to image

Moto Guzzi wiring diagram - V35 / V50
Moto Guzzi wiring diagram - V35 / V50

Photo courtesy of Larry Andrade.

Moto Guzzi wiring diagram - V35 / V50

Photo courtesy of Larry Andrade.

Direct link to image

Moto Guzzi wiring diagram - V7 III E4 Stone

Moto Guzzi wiring diagram - V7 III E4 Stone ()
Applicable models: V7 III Anniversario, V7 III Racer, V7 III Special, V7 III Stone
Credit: Thanks to Camilo and Elisha Acosta for sending me this original PDF from Moto Guzzi.
Pages: 1

Moto Guzzi wiring diagram - V85 TT

Moto Guzzi wiring diagram - V85 TT [English / Italian / French / German / Spanish / Dutch / Greek]
Credit: Thanks to the anonymous person who sent me this file.
Pages: 7
Moto Guzzi wiring diagram - V85 TT [English]
Credit: Thanks to the anonymous person who sent me this file.
Pages: 1

Moto Guzzi wiring diagram - V85 TT E5+

Moto Guzzi wiring diagram - V85 TT E5+ [English]
Credit: Thanks to the anonymous person who sent me this file.
Pages: 1